Inverters ua si lub luag haujlwm tseem ceeb hauv photovoltaic lub zog tiam tam sim no (DC) tsim los ntawm lwm yam kev sib txuas tam sim no (AC) haum rau cov phiaj xwm kev sib txuas lossis kev siv thauj khoom. Kev txhim kho ntawm Inverter Technology tau hloov zuj zus mus ua tau raws li cov kev xav tau ntawm kev ua haujlwm siab dua, muaj zog dua qub, thiab tus nqi qis. Peb {- qib inverter technology yog ib qho ntawm cov kev nce qib tseem ceeb hauv daim teb no.
Qib lub tswv yim hauv inverters ntawm inverters yog hais txog qib voltage siv rau kev kis teeb liab lossis kev hloov pauv hluav taws xob. Ib tug ob {- qib inverter muaj tsuas yog ob qib voltage, siab thiab qis, uas yooj yim hauv kev siv tsawg- tus nqi thov. Txawm li cas los xij, peb {{{4 4} be}} theem inverters qhia txog qhov ntsuas hluav taws xob thiab muaj ntau qhov txiaj ntsig zoo ntawm qib system1.

1.Qhov lub ntsiab lus ntawm peb -} qib thev naus laus zis
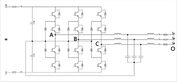
Thaum xyoo 1980, Japanese scholar nabae tau tshaj tawm ib tug peb -} qib theem inverter puag ncig raws li Diode clamping. Nws cov qauv sib txawv yog qhia hauv daim duab hauv qab no. Txhua tus choj ntawm tag nrho inverter Circuit Court yog tsim ntawm 4 insulated GATE Bipolar tistors (iGBTS) thiab 6 dods.

Txawm hais tias peb {{- Cov qib siab muaj peev xwm tso tawm cov txiaj ntsig zoo thiab cov khoom siv qis dua, tag nrho peb theem siab. Yog li ntawd, nws hu ua ib peb {-} qib inverter Circuit Coup.
Siv cov peev xwm hloov ntawm nruab nrab ntawm cov inverter choj ntawm theem ib ua piv txwv rau cov ntsiab lus piav qhia tshwj xeeb ntawm peb qib.

- Thaum ob lub igbts rau ntawm -} pase choj choj choj yog ua, lub peev xwm ntawm taw tes a yog tib yam li ntawm lub tsheb npav uas yog U / 2. Cov kev ntxhov siab voltage uas txhua daim IGBT Bears yog U / 2, raws li qhia hauv Voj 1.
- Thaum ob lub igbts ntawm tus choj sab hauv qab ntawm -}}} {} u / 2, raws li qhia hauv lub voj 2.
- Thaum lub thib ob -}}}}}}} {{1} {{1} {{1} -
Los ntawm peb lub voj voog ntawm theem cov lus piav qhia saum toj no, nws tuaj yeem paub tau tias lub peev xwm ntawm taw tes tuaj yeem nthuav qhia peb qib: U6, yog li nws yog hu ua peb {{qib pib2.
2.Covmon peb {- theem theem qhia
2.1npc1 Topology
Lub NPC1 (nruab nrab -}}} clamped) Topology yog ib qho ntawm feem ntau ntawm peb {}} theem garologies. Nws ua kom zoo dua qhov kev faib tawm poob thiab txhim kho EMI los ntawm kev ua kom zoo tam sim no txoj kev thiab xoom- qib hloov zuj zus mechanism.
Nyob rau hauv inverter tej yam kev mob, qhov poob ntawm NPC1 yog feem ntau concentrated nyob rau hauv T1 / T4 leeg, suav nrog kev ua kom poob thiab hloov chaw poob. T2 / T3 yog nyob rau hauv ib txwm qhib lub xeev, thiab poob yog tsuas yog kev kho kom tiav. D5 / D6 kev coj ua thaum pib ua ke, thiab nws cov nyiaj poob suav nrog kev poob thiab rov qab poob rov qab.
Nyob rau hauv rectification tej yam kev mob, cov nyiaj poob yog tsuas yog muaj feem xyuam rau d1 / d4 leeg thiab T2 / T3 hlab. D1 / d4 tubes muaj kev ua kom qeeb thiab rov qab los poob qis dua, thaum T2 / T3 / T3 / T3 / T3 / T3 Hauv kev sib piv, D2 / d3 thiab D6 cov hlab tsuas yog muaj kev poob siab.

2.2 NPC2 Topology
Lub NPC2 Topology yog kev txhim kho raws li NPC1 Topology. Hauv NPC2, ib khub ntawm igbts nrog cov emitters ib txwm muaj los hloov lub clamping dodes nyob rau hauv NPC1, txo tus naj npawb ntawm dodees los ntawm ob. In NPC2, T1/T4 tubes bear the full bus voltage, and T2/T3 tubes bear half of the bus voltage.
Nyob rau hauv inverter mob, nyob rau hauv lub neej zoo -}} kev voj voog, t2 tseem ib txwm qhib, thiab D3 qhov kev pom zoo; Nyob rau hauv qhov tsis zoo ib nrab - kev voj voog, t3 tseem ib txwm qhib, thiab T4 thiab D2 kev pom zoo.
Hauv kev kho kom sov, lub sijhawm pib txheej txheem kuj yog ib qho zoo sib xws rau ntawm NPC1, tab sis vim muaj kev sib txawv ntawm lub clamping ib feem ntawm lub npe ntawm NPC1. Feem ntau, hauv nruab nrab - thiab qis {{}} kev ploj ntawm {Testology yog qis dua li ntawm NPC1 Topology.

2.3anpc topology
Lub APC (ua haujlwm nruab nrab - sepearing- subline yog tsim los ntawm hloov lub clamping Nws nthuav ob xoom {{5 5}} theem kev xaiv cov kab, thiab kev xaiv cov voj voog tsis zoo thiab muaj peev xwm ua tiav3.

3.Cov kev sib tw ntawm peb -} theem inverters
3.1voltage tswj
3.1.1dc -} sab voltage tswj
Hauv lub photovoltaic lub zog tiam, nws yog ib qhov tsim nyog los tswj qhov ruaj khov ntawm DC {{}} sab voltage ntawm lub inverter. Lub DC - Sab voltage feem ntau yog muab los ntawm cov photovoltaic panels. Vim tias tus yam ntxwv xws li lub teeb siv thiab kub, cov zis hluav taws xob ntawm lub photovoltaic papels yuav hloov pauv. Yog li ntawd, DC {- sab voltage tswj tau xav tau. Cov hau kev feem ntau suav nrog siv kev txhawb nqa converter lossis ib tug phaw - sab voltage mus rau qhov muaj nuj nqi ruaj khov. Piv txwv li, thaum cov zis hluav taws xob ntawm cov photovoltic panels yog qis dua cov nqi uas yuav tsum tau, lub zog hloov dua tshiab tuaj yeem ua rau lub voltage; Thaum nws siab dua, cov phaw - Boost Converter tuaj yeem kho qhov ntsuas hluav taws xob rau theem tsim nyog.
3.1.2mid -} х itt tswj tau
Hauv peb {{- Qib interverers, nruab nrab-}}}}}} - Hom topologies. Lub nruab nrab -}}}} muaj peev xwm hloov kho cov zis hluav taws xob kom zoo thiab kev ntseeg tau ntawm cov cuab yeej. Muaj ntau txoj hauv kev los tswj lub nruab nrab -} kis muaj peev xwm. Ib txoj kev yog ntxiv rau ib qho {{8} hom kev sib cav sib haum rau lub teeb liab kev ntsuas. For example, in the sinusoidal pulse - width modulation (SPWM) method, a certain common - mode voltage is added to the reference voltage to adjust the charging and discharging time of the mid - point capacitor, so as to maintain the stability of the mid - point potential. Lwm txoj hauv kev yog siv cov lus taw qhia tswj cov lus qhia kom paub nruab nrab ntawm Inverter raws li qhov sib txawv ntawm kev ua tiav raws li kev ua tiav qhov sib npaug4.
3.2Current tswj
3.2.1.grid -} Txuas Kev Tswj Tam Sim No
Rau grid -}} Connectoraic Inverters, nws yog ib qho tsim nyog los xyuas kom meej yog nyob rau hauv tib zaus thiab theem li cov grid voltage. Qhov no ua tiav los ntawm ib daim phiaj -} kev sib txuas lus tam sim no tswj tau. Ib txoj hauv kev yog siv cov theem - Xauv cov voj (pll) kom synchronize cov zis tam sim no nrog cov kab sib zog hluav taws xob. PLL tuaj yeem sai thiab raug khiav ntawm cov zaus thiab theem ntawm cov grid voltage. Based on the output of the PLL, a current controller is designed, such as a proportional - integral (PI) controller or a proportional - resonant (PR) controller. Tus maub los tam sim no kho cov zis hluav taws xob ntawm cov inverter raws li kev tawm dag zog tam sim no kom ntseeg tau tias cov zis tam sim no ua tau raws li cov kab ke tam sim no ua tau raws li cov ntawv sau tam sim no.
3.2.2.2Output tam sim no tsim txom
Ntxiv rau kom ua kom tau tib yam zaus thiab theem li cov grid voltage, nws tseem tsim nyog los tswj cov ntsiab lus harmonic ntawm cov zis tam sim no. Raws li tau hais los saum toj no, peb -} Cov lus thov Harvent cov lus qhia tam sim no, tab sis kev tswj hwm txuas ntxiv yog tseem xav tau. Qhov no tuaj yeem ua tiav los ntawm kev ua kom zoo dua lub tswv yim hloov kho. Piv txwv li, siv qhov chaw - vector pulse {}} pa taws pulk (svpwm) tsis muaj kev sib cav sib ceg ntawm cov zis tam sim no. Ib qho ntxiv, qee qhov kev txhawb nqa kev txhawb nqa algorithms, xws li Harmonic Pub Tswj, kuj tseem siv tau ntxiv ntxiv cov ntsiab lus harmonic ntawm cov zis tam sim no5.
4.Advantages ntawm peb {- be} Cov inverters piv rau ob - berters inverters
4.1 voltage output wurvorm
Cov voltage ntub dej tawm los ntawm ob -} Qib inverter Circuit Coup:

Lub voltage ntub dej tawm los ntawm ib peb -} qib inverter Circuit Coup:

Tus txheej txheem tseem ceeb ntawm peb {{-}}}}}}}}}}}}}}}}}}}}}}}} theem inverter yog siv cov qib ib kauj ruam rau kwv yees kev ua txhaum hluav taws xob. Vim tias muaj kev tawm ntxiv qib piv rau ob qho -}}}}}}}}}}}}}}} output outputPUT tau los ze rau ntawm lub sinusoidal WaveFormform. Cov saum toj no ob cov nuj nqis yog qhov sib piv ntawm PWM WaveFormels tsim tawm los ntawm ob {4} {{5} {qib inverters. Nws tuaj yeem nkag siab meej meej tias lub PWM Wurm tso zis los ntawm peb {{}}} qib inverter yog ze dua sine thiab muaj cov ntsiab lus riple6.
4.2 Hloov chaw poob
Hauv ib peb {{-}} qib inverter Circuit Court, DC chaw tsheb voltage u yog qhia los ntawm ob lub igbts. Lub Voltage Borne los ntawm txhua ■ igbt ntawm tus choj caj npab yog ib nrab ntawm cov tswv yim voltage ntawm DC sab, U / 2. Nyob rau hauv ib tug ob - qib inverter Circuit Court, yog li ntawd, U. Yog li ntawd,}}} qib ib thaum pib conduction thiab cov Xaus tig - tawm. Qhov no txiav txim siab tias cov kev hloov pauv ntawm peb {{9} è} qib igbt yog ntau me dua uas ntawm ob- qib ib7.
4.3 High
Siab - voltage igbts yog cuam tshuam los ntawm daim ntawv thov voltage theem, uas lawv tau hloov zuj zus ntau dua li cov qes- voltage igbts. Txawm li cas los xij, peb {{-}}}}} cov ntawv thov siab ntawm qis- voltage igbts. Piv nrog cov lim dej nquag plias, cov qib ntawm hloov cov zog ncaj qha rau tsis tsuas yog kev hloov ntawm kev them nyiaj tab sis kuj yog qhov dav ntawm kev ua tiav ntau zaus. Qhov ntau ntau zaus band Qhov twg hloov cov zaus nyob, tus dav dav ua band uas lub lim yuav xaiv, tus nqaim nws yuav tsum yog; Hloov siab, nqaim nws yuav tsum8.
4.4 Quantitative sib piv
Cov evolution ntawm SMA cov khoom lag luam yog cov pov thawj zoo.
- Ob {-} theem technology khoom lag luam: Sunny Tripower Series.

- Peb {-} theem technology khoom lag luam: Sunny Fighpower Series.

![]()
From the data in the above two graphs, it can be obtained that the maximum efficiency of the two-level technology photovoltaic inverter products is 98.1%, and the efficiency in Europe is 97.8%. Qhov siab tshaj plaws ntawm peb {-}} qib technology photovoltaic inverter cov khoom tuaj yeem ncav cuag 99.1%, thaum nyob hauv Tebchaws Europe nws tuaj yeem yog 98.8%. Los ntawm piv rau ob, nws tuaj yeem pom tias qhov ua tau zoo ntawm peb -}}}}} incr} level technology technology process tau nce los ntawm 1%9.
5.Future kev loj hlob
5.1 Kev sib koom ua ke nrog cov ntaub ntawv semiconduct online
Nrog rau kev txhim kho ntawm semiconductor thev naus laus zis xws li Silicon Carbide (Sic) thiab Gallium Nitride (Gan) tau maj mam ua rau inverters. Cov ntaub ntawv no muaj ntau dua hluav taws xob kev musility, rhuav tshem voltage, thiab qis dua {{tsis yog li cov khoom silicon. Kev sib xyaw peb {-}}} qib inverter technology nrog cov khoom siv semiconductor tuaj yeem txhim kho kev ua haujlwm ntawm inverters. Piv txwv li, siv cov niam txiv sifets hauv peb - Cov khoom siv tsis taus, thiab ua kom muaj zog ntawm cov khoom siv ploj thiab ua kom muaj zog ntawm cov inverter thiab txhim kho nws lub zog ntom.
5.2 cov ntse thiab cov digitalization
n Lub neej tom ntej, peb {{{- Qib interverters yuav yog ntau ntse ntse thiab khawb. Nrog rau kev txhim kho cov microelectronics technology thiab digital tswj thev naus laus zis, Inverters tuaj yeem nruab nrog cov digital digital thiab sensors. These digital controllers can implement more complex control algorithms, such as adaptive control, predictive control, and fault - diagnosis and self - repair control. Lub sensors tuaj yeem soj ntsuam qhov xwm txheej ua haujlwm ntawm inverter hauv tiag- lub sijhawm, voltage, kev kub siab, thiab ntaus ntawv kho mob tam sim no. Los ntawm cov kev txawj ntse Algorithms thiab tiag {{{8} Kev saib xyuas cov haujlwm tiag tiag raws li cov haujlwm, thiab kev ntseeg tau txog cov chaw taws teeb thiab cov kev tswj hwm zoo.
5.3 Siab {{- voltage thiab siab dua-} kev siv fais fab
Raws li cov nplai ntawm photovoltaic lub zog tiam tseem nthuav dav, qhov kev thov rau siab dua {{voltage thiab siab} lub zog inverters tseem nce. Peb -} theem inverter technology muaj lub peev xwm kom tau raws li kev thov no. Los ntawm kev txhim kho cov tolyology thiab tswj lub tswv yim ntawm peb {}} rated cov khoom siv hluav taws xob, thiab siv hluav taws xob siab thiab muaj zog} Qhov no yog qhov tseem ceeb rau loj- Cov kab hluav taws xob hluav taws xob {}}}}}}}}}}}}}}}}}}}}}}}}}}}}}}}}}}}}}}}}}}}}}}}}}}}}}}}}}}}}}}}}}}}}}}}}}}}}}}}}}} {}}10.
- Yu, chengzhuo, 2023, tswj ntawm 3 qib PWM inverter rau grid -} Contining photovoltaic tiam lub tshuab.
- Zhihu, piav qhia txog kev ua tau zoo dua ntawm peb -} qib thev naus laus zis.
- Tsis - network, peb -} Txoj Cai Tshawb Fawb thiab Kev Tshawb Xyuas Kev Tshawb Xyuas Kev Tshawb Fawb
- Cov neeg txhawb hluav taws xob, t - hom peb {{}}}}}}}} txuas inverter tsim cov txheej txheem.
- Tang, Yao, 2023, Design and control of interleaved three-level T-type inverter for high power application.
- Tus neeg txhawb hluav taws xob, kev sib piv ntawm qhov zoo ntawm peb - {{1} {}}} qib nruab nrab.
- CSDN, qhov sib txawv ntawm ob - theem thiab peb- qib.
- Baidu Wenku, sib piv ntawm ob - qib thiab peb- qib.
- SMA, Cov Ntaub Ntawv Khoom los ntawm SMA tus vev xaib raug cai.
- QITY POWER, peb -} theem theem siab tshaj tawm hauv Inverter.











